产品详情
返回详细描述
GIQ-A型系列气动高真空蝶阀适用于高真空系统中用来接通或截止气流之用。该阀以压缩空气为动力,通过电磁换向阀改变气路方向,执行气缸推动,使固定在转动轴上的阀板旋转90°实现阀门的开启和关闭。
适用的工作介质为空气和非腐蚀性气体。
适用的工作介质为空气和非腐蚀性气体。
GIQ-A型系列气动高真空蝶阀主要技术性能适用范围(Pa)2x105~1.3x10-5阀门漏率(Pa.L/S)≤1.3x10-6介质温度(℃)-25~+80(密封材料为丁腈橡胶)-30~+150(密封材料为氟橡胶)气源压力(MPa)0.4~0.6法兰标准GB/T6070安装位置任意电源电压标准出厂:AC220V/50Hz特殊指定:AC110V;DC24V;DC12V等信号反馈标准出厂:不带反馈信号特殊指定:磁性开关DV/AC5~240V

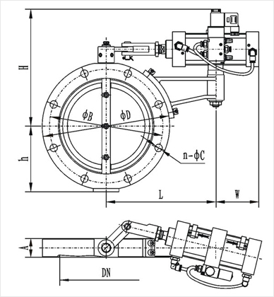
GIQ-A型系列气动高真空蝶阀连接及外形尺寸型号通径(DN)ΦDΦBHhALWn-ΦCGIQ-50A50110901625526160624-Φ9 GIQ-63A631301101726632 180 81GIQ-80A80145125178748-Φ9GIQ-100A100165145187848-Φ12 GIQ-125A12520017520810235207 86GIQ-150A150225200220114GIQ-200A2002852602561464523610012-Φ11 GIQ-250A25033531028217350GIQ-300A3004253953502165528011812-Φ14GIQ-400A4005104803922596030413016-Φ14GIQ-500A5006005654403128035017512-Φ18GIQ-600A60071067052536610036021212-Φ21GIQ-800A80092088069047313052026820-Φ21
