产品详情
返回型号: 300X
口径: DN20-600mm
压力: 1-2.5Mpa
一、缓闭止回阀概述:
缓闭止回阀是由止回阀由主阀、单向阀、针阀、球阀、微形过滤器和压力表组成水力控制阀接管系统。利用水力自动操作,可使主阀得到最佳的开启和关闭速度。防止水锺水击的产生,以达到缓闭消声的效果。当阀门从进口端给水时,水通过微型过滤器、针阀、单向阀进入主阀控制室,再经过球阀排水至下游。因为针阀开度小于球阀开度,即主阀控制室的排水速度大于进水速度,因此控制室压力降低,作用于主阀盘下端的进口压力打开主阀向下游供水。当管道停止供水时,若下游水开始回流,一部分回流水经球阀进入主控制室,由于单向阀作用,回流水不能从主控制室流出,引起主控制室逐渐升压,缓缓关闭主阀本产品利用水力自力控制,不需要其它装置和能源,保养简便,开启及缓闭平稳。此阀门产品广泛用于高层建筑、生活区等供水管网系统及城市供水工程。主要阀门零件材质如下表:
| 零件名称 | 材质 |
| 阀体、阀盖 | 铸铁、铸钢、不锈钢 |
| 阀座 | 锡青铜、不锈钢 |
| 阀瓣 | 碳钢、不锈钢+丁腈橡胶 |
| 阀杆 | 铝青铜、铬不锈钢 |
| 膜片 | 丁腈橡胶 |
| 膜片压板 | 碳钢、不锈钢 |
| 弹簧 | 不锈钢 |
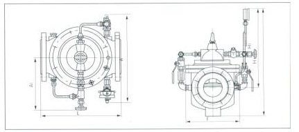
二、缓闭止回阀主要外形尺寸:

| 公称通径 | 尺 寸(mm) | |||||
| DN(am) | L | A1 | A | H1 | H | F |
| 20 | 150 | 200 | 282 | 106 | 172 | 116 |
| 25 | 160 | 200 | 282 | 106 | 172 | 116 |
| 32 | 180 | 200 | 282 | 106 | 172 | 116 |
| 40 | 200 | 210 | 320 | 137 | 225 | 168 |
| 50 | 203 | 210 | 320 | 137 | 225 | 168 |
| 65 | 216 | 215 | 330 | 145 | 270 | 180 |
| 80 | 241 | 220 | 330 | 178 | 289 | 210 |
| 100 | 270 | 230 | 410 | 232 | 375 | 284 |
| 125 | 300 | 245 | 420 | 286 | 420 | 310 |
| 150 | 330 | 260 | 420 | 318 | 450 | 370 |
| 200 | 400 | 280 | 430 | 413 | 722 | 463 |
| 250 | 480 | 300 | 450 | 502 | 769 | 525 |
| 300 | 550 | 320 | 460 | 600 | 906 | 625 |
| 350 | 622 | 340 | 470 | 638 | 1480 | 705 |
| 400 | 685 | 360 | 480 | 677 | 1027 | 778 |
| 450 | 750 | 360 | 480 | 677 | 1027 | 778 |
| 500 | 811 | 410 | 780 | 750 | 1110 | 690 |
| 600 | 935 | 456 | 888 | 850 | 1286 | 785 |
