产品详情
返回GID型系列电动高真空蝶阀采用回转型电动、电子调节式阀门驱动装置,可以通过外接电源的切换(用手动转位开关或电脑控制)或外部输入信号,来实现阀门开、关或中间位置的控制,从而达到接通或切断真空管路中气流的目的。
适用的工作介质为空气和非腐蚀性气体。
GID型系列电动高真空蝶阀主要技术性能适用范围(Pa)105~1.3x10-5阀门漏率(Pa.L/S)≤1.3x10-6开闭时间(S)DN≤63 20;80≤DN≤200 30; DN≥250 48介质温度(℃)-25~+80(密封材料为丁腈橡胶)-30~+150(密封材料为氟橡胶)法兰标准JB919安装位置任意控制电路标准出厂:AC220V/50Hz开关型特殊指定:AC380V;DC24V开关型4~20mA DC信号反馈标准出厂:带无源触点型特殊指定:4~20mA DC调节型

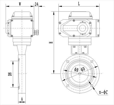
GID型系列电动高真空蝶阀连接及外形尺寸型号通径(DN)ΦDΦBHALWn-ΦCGID-25257055177221601134-Φ7GID-32327864182GID-40408570186GID-6363130110229264-Φ9GID-808014512527330196121GID-1001001701452854-Φ12GID-12512519517029935GID-1501502201953682551588-Φ12GID-20020027525039440GID-25025033030042645GID-300300380350449558-Φ14GID-400400500465538603102078-Φ18
