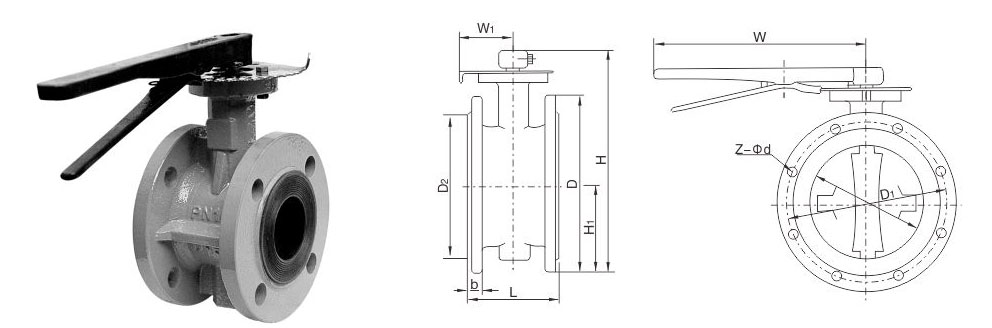
产品详情
返回
性能规范:
阀体材料:铸铁、碳钢、不锈钢等
密封圈材料:丁腈橡胶X1-46~+121℃ 氨丁橡胶X2-29~+99℃
丁腈橡胶X3-3~+82℃ 氨丁橡胶X4-23~+150℃
聚四氟乙烯塑料F4+10~+150℃
适用介质:淡水、污水、海水、空气、蒸汽、食品、药品、各种油类、酸类、碱类、盐类等。
Function Norm:
valve body material:cast iron,carbon steel,stainless steel etc。
Seal ring material:chemigum X1-46~+121℃ Ammonia buna X2-29~+99℃
chemigum X3-23~+82℃ neoprene X4-23~+150℃
PTFE plastic F4+10~+150℃
Applicable medium: water, sewage, sea water, air, steam, food, drug, various oil, acid, alkali, salt, etc.
注:1、以上蝶阀的密封试验压力DN50-DN800为1.0MPa:DN900-DN1000为0.6MPa.DN1200以上为0.25Mpa.
2、以上蝶阀的连接尺寸均按1.0MPa标准制造,如用户特殊要求需要,签订合同时应该详细注明。
Note:1, the above butterfly valve seal test pressure (DN800 1.0 MPa: DN900 - DN1000 0.6 MPa. 48 ") more than 0.25 MPa.
2, the above butterfly valve connection dimensions are according to standard 1.0 MPa, special requirements such as user needs, when signing a contract should be indicated in detail.
主要零件的材质
| 零件名称 | 材料 |
| 阀体 | 灰铸铁、球墨铸铁、铸钢、不锈钢等 |
| 蝶板 | CI、DI、WCB、不锈钢及特殊材料 |
| 密封圈 | 橡胶、铸钢、合金钢、不锈钢 |
| 阀杆 | 2Cr13、不锈钢 |
| 填料 | O型圈、柔性石墨O |
材料选用和适用温度
| 材料品种 | 氯丁橡胶 | 丁晴橡胶 | 乙丙橡胶 | 聚四氟乙烯 | 硅橡胶 | 氟橡胶 |
| 代号 | X或or J | XA或or JA | XB或or JB | XC、JC或or F | XD或or JD | XE或or JE |
| 耐最高温度 | 82℃ | 93℃ | 150℃ | 232℃ | 250℃ | 204℃ |
| 耐最低温度 | -40℃ | -40℃ | -40℃ | -268℃ | -70℃ | -23℃ |
| 适用工作温度 | ≤65℃ | ≤80℃ | ≤120℃ | ≤200℃ | ≤200℃ | ≤180℃ |
