产品详情
返回GIQ-B型系列气动高真空蝶阀的气动执行器是以压缩空气为动力,通过电磁换向阀改变气路方向,推动活塞齿条、齿轮的机械运动,以角行程输出扭矩来驱动蝶阀,作启闭运动。从而达到接通或切断真空管路中气流的目的,是目前一种新型的气动执行器控制的气动蝶阀,分为双作用和单作用(弹簧复位)气缸。可选配反馈信号装置及电气阀门定位器。
适用的工作介质为空气和非腐蚀性气体。
GIQ-B型系列气动高真空蝶阀主要技术性能适用范围(Pa)105~1.3x10-5阀门漏率(Pa.L/S)≤1.3x10-6介质温度(℃)-25~+80(密封材料为丁腈橡胶)-30~+150(密封材料为氟橡胶) 气源压力(MPa)0.4~0.6法兰标准JB919安装位置任意控制电路标准出厂:AC220V/50Hz开关型特殊指定:AC110V;DC24V;DC12V等 信号反馈标准出厂:带无源触点型特殊指定:4~20mA DC调节型气缸可选标准出厂:双作用式特殊指定:单作用式(有弹簧返回)可选常开或常闭

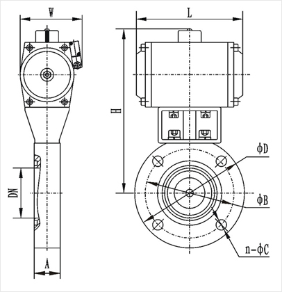
GIQ-B型系列气动高真空蝶阀连接及外形尺寸型号通径(DN)ΦDΦBHALWn-ΦCGIQ-50B5011090205221641054-Φ9GIQ-63B6313011021826 GIQ-80B8014512524830190124GIQ-100B1001701452604-Φ12GIQ-125B12519517527335GIQ-150B1502201953322471408-Φ12GIQ-200B20027525038640302165GIQ-250B25033030046645372198GIQ-300B300380350535554322258-Φ14GIQ-400B400465465631605182438-Φ18
注:GIQ-63B法兰连接为GB/T6070标准
