产品详情
返回GID-A型系列电动高真空蝶阀采用回转型电动、电子调节式阀门驱动装置,可以通过外接电源的切换(用手动转位开关或电脑控制)或外部输入信号,来实现阀门开、关或中间位置的控制,从而达到接通或切断真空管路中气流的目的。阀门的阀板采用夹紧结构,把阀板的密封圈夹紧,除了能用在真空状态下,也能在低压状态下使用。
适用的工作介质为空气和非腐蚀性气体。
GID-A型系列电动高真空蝶阀主要技术性能适用范围(Pa)2x105~1.3x10-5阀门漏率(Pa.L/S)≤1.3x10-6开闭时间(S)DN≤63 20;80≤DN≤200 30; DN≥250 48介质温度(℃)-25~+80(密封材料为丁腈橡胶)-30~+150(密封材料为氟橡胶)法兰标准GB/T6070安装位置任意控制电路标准出厂:AC220V/50Hz开关型特殊指定:AC380V;DC24V开关型4~20mA DC信号反馈标准出厂:带无源触点型特殊指定:4~20mA DC调节型

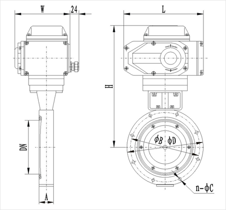
GID-A型系列电动高真空蝶阀连接及外形尺寸型号通径(DN)ΦDΦBHALWn-ΦCGID-50A5011090218261601134-Φ9GID-63A6313011022932GID-80A801451252721961218-Φ9GID-100A1001651452828-Φ12GID-125A12520017530035GID-150A150225200369255158GID-200A2002852603994512-Φ11GID-250A25033531042750GID-300A3004253954715512-Φ14GID-400A4005104805466031020716-Φ14
