产品详情
返回GI-A型系列高真空蝶阀是用来接通或切断真空管路中的气流,阀门的阀板采用夹紧结构,把阀板的密封圈夹紧,起到更好的密封作用。阀门开闭有锁定功能。
适用的工作介质为空气和非腐蚀性气体。
GI-A型系列高真空蝶阀主要技术性能适用范围(Pa)105~1.3x10-5阀门漏率(Pa.L/S)<1.3x10-6介质温度(℃)-25~+80(密封材料为腈橡胶)-30~+150(密封材料为氟橡胶)法兰标准GB/T6070安装位置任意

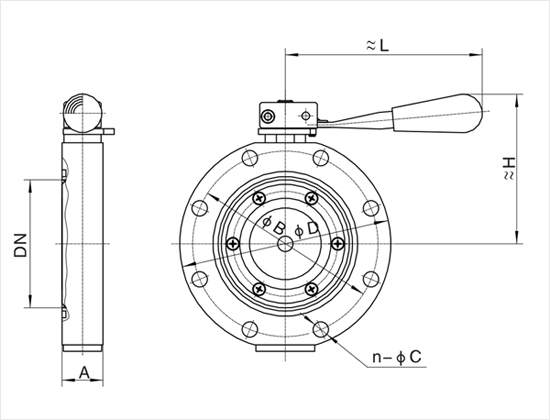
GI-A型系列高真空蝶阀连接及外形尺寸型号通径(DN)ΦDΦBHALn-ΦCGI-50A501109090261164-Φ9GI-63A6313011010032132GI-80A80145125110321548-Φ9GI-100A10016514512032154GI-125A125200175140351978-Φ11GI-150A15022520015535197GI-200A2002852601904524212-Φ11GI-250A25033531022550330GI-300A3004253952455533012-Φ14
注:GI-63法兰连接为GB/T6070标准
