产品详情
返回
伞齿轮刀形闸阀主要性能规范:
| 公称压力(MPa) | 壳体试验(MPa) | 密封试验(MPa) | 工作温度 | 适用介质 |
| 1.0 1.6 | 1.5 2.4 | 1.1 1.8 | ≤100℃ ≤425℃ | 纸浆、污水、煤浆、灰、渣水混和物 |
伞齿轮刀形闸阀主要零部件材质:
| 体、盖 | 闸阀 | 阀杆 | 密封面 |
| 不锈钢、碳钢、灰铸铁 | 碳钢、不锈钢 | 不锈钢 | 橡胶、四氟、不锈钢、硬质合金 |
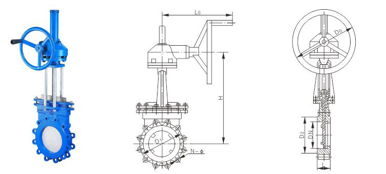
伞齿轮刀形闸阀主要外形及连接尺寸(mm):PZ573H、PZ573X、PZ573Y、PZ543H、PZ543F、PZ543X
| MPa | DN | L | D1 | D2 | H | n-M | MPa | DN | L | D1 | D2 | H | n-M |
| 0.6 MPa | 50 | 48 | 90 | 110 | 300 | 4-M12 | 1.0MPa | 50 | 48 | 100 | 125 | 300 | 4-M16 |
| 65 | 48 | 110 | 130 | 310 | 4-M12 | 65 | 48 | 120 | 145 | 310 | 4-M16 | ||
| 80 | 51 | 125 | 150 | 330 | 4-M16 | 80 | 51 | 135 | 160 | 330 | 4-M16 | ||
| 100 | 51 | 145 | 170 | 380 | 4-M16 | 100 | 51 | 155 | 180 | 380 | 8-M16 | ||
| 125 | 57 | 175 | 200 | 440 | 8-M16 | 125 | 57 | 185 | 210 | 440 | 8-M16 | ||
| 150 | 57 | 200 | 225 | 500 | 8-M16 | 150 | 57 | 210 | 240 | 500 | 8-M20 | ||
| 200 | 70 | 255 | 280 | 580 | 8-M16 | 200 | 70 | 265 | 295 | 580 | 8-M20 | ||
| 250 | 70 | 310 | 335 | 670 | 12-M16 | 250 | 70 | 320 | 350 | 670 | 12-M20 | ||
| 300 | 76 | 362 | 395 | 820 | 12-M20 | 300 | 76 | 368 | 400 | 820 | 12-M20 | ||
| 350 | 76 | 412 | 445 | 900 | 12-M20 | 350 | 76 | 428 | 460 | 900 | 16-M20 | ||
| 400 | 89 | 462 | 495 | 1020 | 16-M20 | 400 | 89 | 482 | 515 | 1020 | 16-M22 | ||
| 450 | 89 | 518 | 550 | 1150 | 16-M20 | 450 | 89 | 532 | 565 | 1150 | 20-M22 | ||
| 500 | 114 | 568 | 600 | 1250 | 16-M20 | 500 | 114 | 585 | 620 | 1250 | 20-M22 | ||
| 600 | 114 | 670 | 705 | 1500 | 20-M22 | 600 | 114 | 685 | 725 | 1500 | 20-M27 | ||
| 700 | 127 | 775 | 810 | 1750 | 24-M22 | 700 | 127 | 800 | 840 | 1750 | 24-M27 | ||
| 800 | 127 | 880 | 920 | 2000 | 24-M27 | 800 | 127 | 898 | 950 | 2000 | 24-M30 | ||
| 900 | 154 | 980 | 1020 | 2300 | 24-M27 | 900 | 154 | 1005 | 1050 | 2300 | 28-M30 | ||
| 1000 | 165 | 1080 | 1120 | 2500 | 28-M27 | 1000 | 165 | 1115 | 1160 | 2500 | 28-M30 | ||
| 1200 | 190 | 1295 | 1340 | 2800 | 32-M30 | 1200 | 190 | 1325 | 1380 | 2800 | 32-M36 |
