产品详情
返回GGI-C型系列高真空蝶阀是用来调节真空系统中的气流量。调节角度范围0~90°。
适用的工作介质为空气和非腐蚀性气体。
GI-C型系列高真空蝶阀主要技术性能适用范围(Pa)105~1.3x10-5阀门漏率(Pa.L/S)≤1.3x10-6介质温度(℃)-25~+80(密封材料为丁腈橡胶)-30~+150(密封材料为氟橡胶) 法兰标准JB919安装位置任意

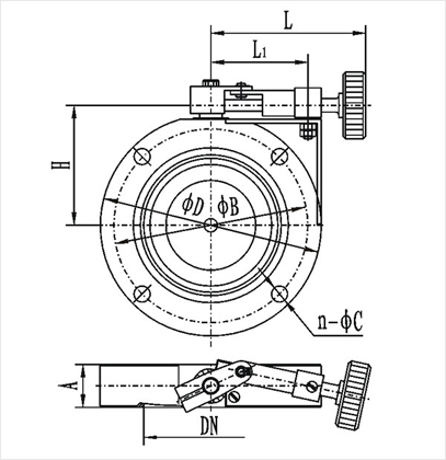
GI-C型系列高真空蝶阀连接及外形尺寸型号通径(DN)ΦDΦBHALL1n-ΦCGI-323278645122 62294-Φ7 GI-40408570556532GI-5050110906971454-Φ9 GI-636313011072268755GI-80801451258030 8563GI-10010017014593110754-Φ12GI-15015022019512235155988-Φ12 GI-20020027525015640159117GI-25025033030025945167132GI-300300380350284551971628-Φ14
注:GI-63C法兰连接为GB/T6070标准
