产品详情
返回产品型号:LH45
产品口径:DN20-600mm
产品压力:1-2.5Mpa
产品材质:铸铁、铸钢、不锈钢
一、限流止回阀概述:
限流止回阀主要用于多泵并联使用时安装与水泵压出口,起限制水泵工作流量,防止停泵回流作用。
功能和作用:一.限流功能该阀安装于水泵出口,在单泵启动和非全数设计工作泵工作时,多工作泵起限制流量作用,使泵在较高效率状态下工作;防止电动机爱水泵低扬程、大流量、低效率时,发生过载现象;防止超额定电流烧电机现象的发生,同时起到一定的节能效果。其限流原理为:依据水泵的设计工况扬程,导阀自动检测并控制水泵的实际工作扬程,以限制水泵的工作流量,限制电机的负载。该阀设定一个控制工作气扬程,当水泵工作扬程低于控制扬程时阀门做关阀动作,使实际工作扬程加大;当水泵工作扬程大于设定扬程时阀门全开,阀门阻力极小。控制气扬程的设定可以按电机额定电流设定,也可以按高效率工况设定,该阀门工作扬程设定值可调,一般出厂设定值为设计工况扬程。二.止回功能.该阀的止回功能完全等同于微阻缓闭止回阀,且无关闭噪声,零回流。此阀主要用于多泵并联使用时安装与水泵压出口,起限制水泵工作流量,防止停泵回流作用。该阀采用导阀-主阀构造,结构紧凑,重量较轻。主要零件材质如下表
| 零件名称 | 材质 |
| 阀体、阀盖 | 铸铁、铸钢、不锈钢 |
| 阀杆 | 铬不锈钢 |
| 阀瓣 | 碳钢、不锈钢+丁腈橡胶 |
| O形圈 | 丁腈橡胶 |
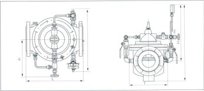
二、限流止回阀主要外形尺寸:

| 公称通径 | 尺 寸(mm) | |||||
| DN(am) | L | A1 | A | H1 | H | F |
| 20 | 150 | 200 | 282 | 106 | 172 | 116 |
| 25 | 160 | 200 | 282 | 106 | 172 | 116 |
| 32 | 180 | 200 | 282 | 106 | 172 | 116 |
| 40 | 200 | 210 | 320 | 137 | 225 | 168 |
| 50 | 203 | 210 | 320 | 137 | 225 | 168 |
| 65 | 216 | 215 | 330 | 145 | 270 | 180 |
| 80 | 241 | 220 | 330 | 178 | 289 | 210 |
| 100 | 270 | 230 | 410 | 232 | 375 | 284 |
| 125 | 292 | 245 | 420 | 286 | 420 | 310 |
| 150 | 330 | 260 | 420 | 318 | 450 | 370 |
| 200 | 400 | 280 | 430 | 413 | 722 | 463 |
| 250 | 480 | 300 | 450 | 502 | 769 | 525 |
| 300 | 550 | 320 | 460 | 600 | 906 | 625 |
| 350 | 622 | 340 | 470 | 638 | 1480 | 705 |
| 400 | 685 | 360 | 480 | 677 | 1027 | 778 |
| 450 | 750 | 360 | 480 | 677 | 1027 | 778 |
| 500 | 811 | 410 | 780 | 750 | 1110 | 690 |
| 600 | 935 | 456 | 888 | 850 | 1286 | 785 |
