产品详情
返回型号:U(J)44SM
口径:DN15-400mm
压力:1.6-6.4Mpa
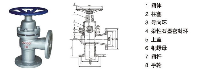
角式柱塞阀(截止阀)连接尺寸:

| 型号 | 公称通径 DN(mm) | 主要外形及连接尺寸(mm) | |||||||
| L0 | H | W | D | D1 | D2 | b | Z-Φ d | ||
| U(J)44SM-16cP | 15 | 65 | 190 | 100 | 95 | 65 | 45 | 12 | 4-14 |
| 20 | 75 | 210 | 100 | 105 | 75 | 55 | 12 | 4-14 | |
| 25 | 80 | 220 | 120 | 115 | 85 | 65 | 12 | 4-14 | |
| 32 | 90 | 250 | 140 | 135 | 100 | 78 | 13 | 4-18 | |
| 40 | 100 | 280 | 160 | 145 | 110 | 85 | 13 | 4-18 | |
| 50 | 115 | 300 | 180 | 160 | 125 | 100 | 13 | 4-18 | |
| 65 | 145 | 320 | 200 | 180 | 145 | 120 | 15 | 4-18 | |
| 80 | 155 | 340 | 240 | 195 | 160 | 135 | 17 | 8-18 | |
| 100 | 175 | 420 | 280 | 215 | 180 | 155 | 17 | 8-18 | |
| 125 | 200 | 440 | 320 | 240 | 210 | 185 | 19 | 8-18 | |
| 150 | 240 | 530 | 350 | 280 | 240 | 210 | 21 | 8-23 | |
| 200 | 300 | 610 | 400 | 335 | 295 | 265 | 23 | 12-23 | |
| 250 | 325 | 730 | 520 | 405 | 355 | 295 | 27 | 12-25 | |
| 300 | 375 | 850 | 640 | 460 | 410 | 385 | 28 | 12-25 | |
| 350 | 394 | 970 | 460 | 520 | 470 | 435 | 30 | 16-25 | |
| 400 | 457 | 1100 | 900 | 580 | 525 | 485 | 32 | 16-30 | |
角式柱塞阀主要连接尺寸:
| 型号 | 公称通径 DN(mm) | 主要外形及连接尺寸(mm) | |||||||
| L0 | H | W | D | D1 | D2 | B | Z-Φ d | ||
| U(J)44SM-25cP | 15 | 65 | 190 | 100 | 95 | 65 | 45 | 14 | 4-14 |
| 20 | 75 | 210 | 100 | 105 | 75 | 55 | 14 | 4-14 | |
| 25 | 80 | 230 | 110 | 115 | 85 | 65 | 14 | 4-14 | |
| 32 | 90 | 260 | 140 | 135 | 100 | 78 | 15 | 4-18 | |
| 40 | 100 | 260 | 160 | 145 | 110 | 85 | 15 | 4-18 | |
| 50 | 115 | 290 | 180 | 160 | 125 | 100 | 17 | 4-18 | |
| 65 | 145 | 320 | 200 | 180 | 145 | 120 | 19 | 8-18 | |
| 80 | 155 | 370 | 240 | 195 | 160 | 135 | 19 | 8-18 | |
| 100 | 175 | 420 | 280 | 230 | 190 | 160 | 21 | 8-23 | |
| 125 | 200 | 460 | 320 | 270 | 220 | 188 | 25 | 8-25 | |
| 150 | 240 | 530 | 350 | 300 | 250 | 218 | 27 | 8-25 | |
| 200 | 300 | 610 | 400 | 360 | 310 | 282 | 31 | 12-25 | |
| 250 | 325 | 730 | 520 | 425 | 370 | 345 | 33 | 12-30 | |
| 300 | 375 | 850 | 640 | 485 | 430 | 408 | 36 | 16-30 | |
| 350 | 394 | 970 | 760 | 550 | 490 | 465 | 40 | 16-34 | |
| 400 | 457 | 1100 | 900 | 610 | 550 | 535 | 44 | 16-34 | |
