产品详情
返回
气动对夹式软密封蝶阀我公司研制的气动对夹式软密封蝶阀结构紧凑,90°回转开关轻松,密封可靠,使用寿命长,被广泛用于水厂、电厂、钢厂、造纸、化工、饮食等系统供排水中,作为调节和截止使用。
二、WBPX(D672X)气动对夹式软密封蝶阀特点
1、本阀采用双偏心结构,具有越关越紧的密封功能,密封性能可靠。
2、密封副材料选用不锈钢和丁腈耐油橡胶配对,使用寿命长。
3、橡胶密封圈即可位于阀体上,也可以位于蝶板上,可适用不同特点的介质,供用户选择。
4、蝶板采用框架结构,强度高,过流面积大,流阻小。
5、整体烤漆、能有效地防止锈蚀且只要更换密封阀座密封材料,就可使用于不同介质。
6、本阀具有双向密封功能,安装时不受介质流向的控制,也不受空间位置的影响,可在任何方向安装。
7、本阀结构独特,操作灵活,省力,方便。
三、气动对夹式软密封蝶阀主要结束参数
| 公称通径DN(mm) | 50~2000 | 50~1600 | |
| 公称压力PN(MPa) | 0.6 | 1.0 | 1.6 |
| 密封试验(MPa) | 0.66 | 1.1 | 1.76 |
| 强度试验(MPa) | 0.9 | 1.5 | 2.4 |
| 适用温度 | 丁腈橡胶:-40℃~90℃氟橡胶:-20℃~200℃ | ||
| 适用介质 | 水、空气、天然气、油品及弱腐蚀性流体 | ||
| 泄漏率 | 符合GB/T13927-92标准 | ||
| 驱动方式 | 蜗轮传动、电动、气动、液动 | ||
四、气动对夹式软密封蝶阀主要零部件材料
| 零件名称 | 材料 |
| 阀体 | WCB、QT450-10、HT200、HT250 |
| 蝶板 | WCB、QT450-10、HT200、HT250 |
| 阀轴 | 2Cr13 |
| 密封圈 | 丁腈耐油橡胶 |
| 填料 | 柔性石墨 |
五、气动对夹式软密封蝶阀执行标准
| 制造标准 | GB/T 122387-89 |
| 法兰标准 | GB9113-2000、GB17241.6-1998 |
| 结构长度标准 | GB12221-89 |
| 检验标准 | GB/T 13927-92 |
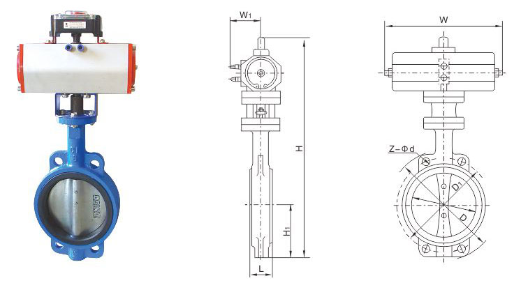
六、气动对夹式软密封蝶阀主要外形连接尺寸单位:mm
| DN | L | H | H1 | A | B | ФD | ||
| 0.6MPa | 1.0MPa | 1.6MPa | ||||||
| 50 | 43 | 77 | 309 | 180 | 200 | 88 | 99 | 99 |
| 65 | 46 | 85 | 320 | 180 | 200 | 108 | 118 | 118 |
| 80 | 46 | 95 | 340 | 180 | 200 | 124 | 132 | 132 |
| 100 | 52 | 105 | 360 | 180 | 200 | 144 | 156 | 156 |
| 125 | 56 | 129 | 405 | 180 | 200 | 174 | 184 | 184 |
| 150 | 56 | 132 | 450 | 270 | 280 | 199 | 211 | 211 |
| 200 | 60 | 165 | 607 | 270 | 280 | 254 | 266 | 266 |
| 250 | 68 | 197 | 659 | 270 | 280 | 309 | 319 | 319 |
| 300 | 78 | 234 | 742 | 380 | 420 | 363 | 370 | 370 |
| 350 | 78 | 283 | 792 | 380 | 420 | 413 | 429 | 429 |
| 400 | 102 | 325 | 887 | 450 | 470 | 463 | 480 | 480 |
| 450 | 114 | 369 | 935 | 480 | 490 | 518 | 530 | 548 |
| 500 | 127 | 404 | 985 | 480 | 490 | 568 | 582 | 609 |
| 600 | 154 | 470 | 1243 | 480 | 490 | 667 | 682 | 720 |
| 700 | 165 | 503 | 1346 | 640 | 660 | 772 | 794 | 794 |
| 800 | 190 | 571 | 1466 | 640 | 660 | 878 | 901 | 901 |
| 900 | 203 | 621 | 1565 | 750 | 860 | 978 | 1001 | 1001 |
| 1000 | 216 | 702 | 1781 | 850 | 900 | 1078 | 1112 | 1112 |
| 1200 | 254 | 818 | 1965 | 850 | 900 | 1295 | 1328 | 1328 |
