产品详情
返回
一、微阻缓闭止回阀概述:
微阻缓闭止回阀用于给排水管道,安装在是水泵出口处用来防止介质逆流和消除破环性水锤,并能有效地减少阀门关闭水锤压力,可保障官网安全运行,它具有阀瓣轻、开度大、节电效果显著,流体阻力小,水锤消除机构设计新颖,密封性能稳定可靠、耐磨损、使用寿命长、运行平稳、无振动、无噪声等特点。主要零件材质如下:
| 零件名称 | 材质 |
| 阀体 | 铸铁、铸钢、不锈钢 |
| 阀盖 | 铸铁、铸钢、不锈钢 |
| 阀瓣 | 碳钢、不锈钢+丁腈橡胶 |
| 阀杆、活塞 | 不锈钢 |
二、微阻缓闭止回阀主要零件材质:
| 零件名称 | 阀体\阀盖 | 阀瓣 | 阀轴 |
| 材料 | 灰铸铁\铸钢 | 橡胶组合件 | 不锈钢 |
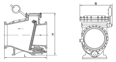
三、微阻缓闭止回阀主要技术参数:

公称压力 (MPa) | 公称通径 DN(mm) | 尺寸(mm) | ||
| L | H | B | ||
1.0 1.6 2.5 | 40 | 200 | 300 | 220 |
| 50 | 230 | 300 | 270 | |
| 65 | 290 | 320 | 290 | |
| 80 | 310 | 354 | 300 | |
| 100 | 350 | 350 | 320 | |
| 125 | 400 | 380 | 340 | |
| 150 | 480 | 500 | 410 | |
| 200 | 500 | 580 | 450 | |
| 250 | 600 | 670 | 550 | |
| 300 | 700 | 730 | 580 | |
| 350 | 800 | 820 | 630 | |
| 400 | 900 | 920 | 700 | |
| 450 | 1000 | 950 | 800 | |
| 500 | 1100 | 1100 | 900 | |
| 600 | 1300 | 1200 | 990 | |
| 700 | 1400 | 1550 | 1120 | |
| 800 | 1500 | 1700 | 1300 | |
| 900 | 1700 | 1800 | 1350 |
