产品详情
返回GI型系列高真空蝶阀是用来接通或切断真空管路中的气流。阀门开闭有锁定功能。
适用的工作介质为空气和非腐蚀性气体。
GI型系列高真空蝶阀主要技术性能适用范围(Pa)105~1.3x10-5阀门漏率(Pa.L/S)≤1.3x10-6介质温度(℃)-25~+80(密封材料为丁腈橡胶)-30~+150(密封材料为氟橡胶)气源压力(MPa)0.4~0.8法兰标准JB919安装位置任意

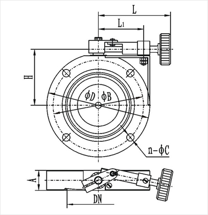
GI型系列高真空蝶阀连接及外形尺寸型号通径(DN)ΦDΦBHALn-ΦCGI-2525705565221054-Φ7GI-3232786470221054-Φ7GI-4040857075221164-Φ7GI-50501109090221164-Φ9GI-6363130110100261324-Φ9GI-8080145130110301544-Φ9GI-100100170145120301544-Φ12GI-125125195170140351974-Φ12GI-150150220195155351978-Φ12GI-200200275250190402428-Φ12GI-250250330300225453308-Φ12GI-300300380350245553308-Φ14GI-400400500465409604208-Φ18
注:GI-63法兰连接为GB/T6070标准
